Bài tập định luật Ôm cho toàn mạch
Dòng điện không đổi
Đánh giá năng lực;ĐHQG Hồ Chí Minh
Số câu hỏi: 14 câuSố mã đề: 1 đềThời gian: 1 giờ
170,978 lượt xem 13,141 lượt làm bài
Một nguồn điện có điện trở trong 0,1 ( ) được mắc với điện trở 4,8 ( ) thành mạch kín. Khi đó hiệu điện thế giữa hai cực của nguồn điện là 12 (V). Suất điện động E của nguồn điện là:
A.
B.
C.
Mạch điện kín một chiều gồm mạch ngoài có biến trở R và nguồn có suất điện động và điện trở trong là E,r. Khảo sát cường độ dòng điện theo R người ta thu được đồ thị như hình. Giá trị của E và r gần giá trị nào nhất sau đây?
A.
B.
C.
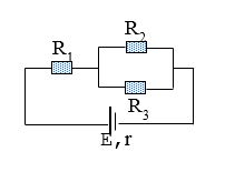
Cho mạch điện như hình vẽ. Biểu thức nào sau đây đúng:

A.
Một nguồn điện với suất điện động E, điện trở trong r, mắc với một điện trở ngoài R = r thì cường độ dòng điện chạy trong mạch là I. Nếu thay nguồn điện đó bằng 3 nguồn điện giống hệt nó mắc song song thì cường độ dòng điện trong mạch
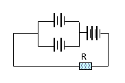
Cho mạch điện có sơ đồ như hình vẽ:
.
Cường độ dòng điện chạy qua mạch chính là?

Cho mạch điện có sơ đồ như hình vẽ:
Biết: . Cường độ dòng điện qua mạch chính là?

Một pin có suất điện động 1,5V và điện trở trong là . Mắc một bóng đèn có điện trở vào hai cực của pin này thành mạch điện kín. Cường độ dòng điện chạy qua đèn là
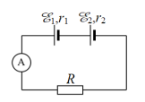
Cho mạch điện như hình bên. Biết . Bỏ qua điện trở của ampe kế và dây nối. Số chỉ của ampe kế là
Một mạch điện kín gồm nguồn điện . Mạch ngoài gồm bóng đèn có ghi (6V−6W) mắc nối tiếp với một biến trở. Để đèn sáng bình thường, biến trở có giá trị bằng
A.
B.
C.
Một điện trở R1 được mắc vào hai cực của một nguồn điện có điện trở trong thì dòng điện chạy trong mạch có cường độ là . Nếu mắc thêm một điện trở nối tiếp với điện trở R1 thì dòng điện chạy trong mạch có cường độ là . Trị số của điện trở R1 là:
A.
B.
C.
Xét mạch điện gồm điện trở được mắc vào hai đầu một bộ pin có điện trở trong như hình vẽ. Khi đó, cường độ dòng điện chạy trong mạch là 0,5 A. Suất điện động của bộ pin là:
Một mạch điện kín gồm một biến trở thuần R, nguồn điện không đổi có suất điện động E, điện trở trong . Đồ thị biểu diễn sự phụ thuộc của công suất tiêu thụ trên biến trở theo R như hình vẽ bên. Giá trị của R1 là
A.
B.
C.
Một mạch điện kín gồm bộ nguồn có hai pin giống nhau mắc nối tiếp, mỗi pin có suất điện động 3V, điện trở trong bằng và mạch ngoài là một điện trở . Hiệu điện thế giữa hai cực của mỗi pin là
2 mã đề 80 câu hỏi
3 mã đề 108 câu hỏi
2 mã đề 100 câu hỏi
1 mã đề 15 câu hỏi

