[2020] Trường THPT Phan Châu Trinh - Đề thi thử tốt nghiệp THPT QG môn Vật Lý năm 2020
Từ khoá: Thi THPTQG Vật Lý Đề thi thử Trường Phan Châu Trinh 2020 Tốt nghiệp Luyện thi Đề ôn tập Học sinh Kiểm tra
Bộ sưu tập: 📘 Tuyển Tập Bộ Đề Thi Ôn Luyện THPT Quốc Gia Môn Vật Lý Các Tỉnh (2018-2025) - Có Đáp Án Chi Tiết 📘 Tuyển Tập Đề Thi Tham Khảo Các Môn THPT Quốc Gia 2025 🎯
Số câu hỏi: 40 câuSố mã đề: 1 đềThời gian: 1 giờ
217,477 lượt xem 16,721 lượt làm bài
Bản chất lực tương tác giữa các nuclôn trong hạt nhân là
Trong mạch LC lý tưởng, biểu thức điện tích của tụ điện theo thời gian là . Biểu thức của cường độ dòng điện trong mạch sẽ là với:
Một chất điểm dao động điều hòa theo phương trình (trong đó x tính bằng cm; t tính bằng giây). Chất điểm dao động với tần số góc là:
Chu kỳ dao động điều hoà của một con lắc đơn có chiều dài dây treo ℓ tại nơi có gia tốc trọng trường g là:
Gọi h là hằng số Planck, c là vận tốc của ánh sáng trong chân không. Trong chân không ánh sáng đơn sắc có bước sóng thì mỗi photon của ánh sáng đó mang năng lượng:
Khi nói về sóng cơ, phát biểu nào dưới đây là sai?
Biết giới hạn quang điện của Natri là 0,5µm. Khi chiếu đủ lâu một chùm tia tử ngoại vào tấm Na tích điện âm đặt trong chân không thì:
Quang phổ liên tục do một vật rắn bị nung nóng phát ra
Khi nói về sóng điện từ, phát biểu nào dưới đây là sai?
Sóng dừng trên dây có một đầu cố định một đầu tự do, trên dây có 10 bó nguyên, số nút trên dây sẽ là
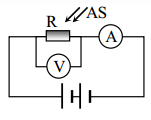
Trong sơ đồ ở hình vẽ bên: R là quang trở; AS là ánh sáng kích thích; A là ampe kế; V là vôn kế, bộ nguồn gồm mỗi nguồn có suất điện động và điện trở trong không đổi. Số chỉ của ampe kế và vôn kế sẽ thay đổi thế nào nếu tắt chùm sáng AS?

Đặt điện áp xoay chiều (t tính bằng s)vào hai đầu đoạn mạch chỉ có cuộn cảm thuần L thì biểu thức dòng điện qua đoạn mạch là:
Máy phát điện xoay chiều một pha có phần cảm gồm p cặp cực ( p cực nam và p cực bắc). Khi máy hoạt động, rô to quay đều với tốc độ n vòng /phút. Suất điện động do máy tạo ra có tần số là:
Trong một thí nghiệm khe Young về giao thoa ánh sáng. Hai khe cách nhau 2 mm, hình ảnh giao thoa được hứng trên màn ảnh cách hai khe 2 m. Sử dụng ánh sáng đơn sắc có bước sóng λ, khoảng cách giữa 11 vân sáng liên tiếp đo được là 5 mm. Bước sóng của ánh sáng đó là:
Cho chùm ánh sáng đa sắc hẹp, song song gồm 4 thành phần đơn sắc: đỏ, lục, lam, tím. Chiếu chùm ánh sáng đơn sắc này từ không khí vào nước. Thành phần đơn sắc nào có góc lệch của tia khúc xạ so với phương tia tới là lớn nhất?
Điện năng được truyền từ máy phát đến nơi tiêu thụ bằng các đường dây tải một pha. Biết hiệu suất truyền tải H của hệ thống phụ thuộc vào điện áp hiệu dụng U hai đầu máy phát. Sự phụ thuộc giữa hiệu suất H vào được diễn tả bởi đồ thị nào sau đây?

Một con lắc đơn có chiều dài 30 cm được treo vào trần của một toa xe lửa. Con lắc bị kích động mỗi khi bánh xe của toa gặp chỗ nối của các đoạn ray. Biết khoảng cách giữa hai mối nối ray là 12,5 m và gia tốc trọng trường là 9,8 m/s2. Biên độ của con lắc đơn này lớn nhất khi đoàn tàu chuyển động thẳng đều với tốc độ xấp xỉ bằng
Khi nói về tia hồng ngoại và tia tử ngoại, phát biểu nào sau đây là sai?
Một con lắc lò xo gồm viên bi có khối lượng 0,2 kg và lò xo có độ cứng 20 N/m dao động điều hòa với tần số góc
Một người mắt không có tật có điểm cực cận cách mắt 20 cm. Người này dùng một kính lúp có tiêu cự 4 cm để quan sát một vật nhỏ. Số bội giác của của kính đối với mắt người này khi ngắm chừng ở vô cực là
Cường độ điện trường do 3 điện tích gây ra tại một điểm M là E1 , E2 , E3 . Nếu thì điều khẳng định nào sau đây chắc chắn sai?
Cho nguồn điện có suất điện động 24 V, điện trở trong 2 Ω mắc với điện trở R thành mạch kín. Cường độ dòng điện đo được trong mạch có giá trị 0,8 A. Tính giá trị điện trở R?
Một đoạn dây dẫn thẳng dài 100 cm được đặt vuông góc với các đường sức từ trong một từ trựờng đều.Cho biết khi dòng điện chạy qua đoạn dây dẫn có cường độ 4 A, thì đoạn dây dẫn này bị tác dụng một lực từ bằng 0,4 N. Cảm ứng từ của từ trường đều có độ lớn bằng
Cho phản ứng hạt nhân . Hạt nhân X có cấu tạo gồm:
Khoảng cách từ một anten đến một vệ tinh địa tĩnh là 36000 km. Lấy tốc độ lan truyền sóng điện từ là 3.108 m/s. Thời gian truyền một tín hiệu sóng vô tuyến từ vệ tinh đến anten bằng
Đặt điện áp vào hai đầu đoạn mạch gồm điện trở thuần R, cuộn cảm thuần có độ tự cảm Lvà tụ điện có điện dung C mắc nối tiếp. Cho biết điện áp hiệu dụng giữa hai đầu đoạn mạch RL là UR,L= 80 V, điện áp hiệu dụng giữa hai đầu tụ điện là UC=100 V. Hệ số công suất của đoạn mạch R,L bằng:
Biết giới hạn quang điện của nhôm là 0,36 µm, công thoát của electron khỏi kim loại nhôm lớn hơn kim loại X là 1,61 lần. Giới hạn quang điện của kim loại X là
Cho phản ứng hạt nhân: . Biết năng lượng liên kết riêng của hai hạt nhân T và D lần lượt là 2,8230 MeV; 1,1187 MeV và độ hụt khối của hạt nhân. Lây 1u.c2 = 931,5 Mev. Năng lượng mà phản ứng tỏa ra là:
Trong nguyên tử hidro, bán kính Bohr là r0 = 5,3. 10-11 m. Bán kính quỹ đạo dừng N là;
Mạch dao động LC lý tưởng, tụ điện có điện dung là 25 nF. Đồ thị biểu diễn cường độ dòng điện trong mạch theo thời gian như hình vẽ. Lấy Cuộn dây có độ tự cảm là:

Trên đoạn mạch điện xoay chiều không phân nhánh có bốn điểm theo thứ tự A, M, N và B. Giữa hai điểm A và M chỉ có cuộn cảm thuần, giữa hai điểm M và N chỉ có điện trở thuần, giữa hai điểm N và B chỉ có tụ điện. Điện áp giữa hai điểm A và N là 600 V và điện áp hiệu dụng giũa hai điểm M và B là 800 V. Điện áp tức thời giữa hai điểm AN và trên MB lệch pha nhau 900. Điện áp hiệu dụng trên R là
Trong bài thực hành khảo sát các định luật dao động của con lắc đơn, học sinh điều chỉnh chiều dài ℓ của con lắc đơn và đo chu kỳ dao động T tương ứng. Vẽ đồ thị biểu thị sự phụ thuộc của T2 vào ℓ trên giấy kẻ ô li, một học sinh thu được một đường thẳng hợp bởi trục hoành một Oℓ một góc . Gia tốc rơi tự do g và góc:
Trong thí nghiệm Young về giao thoa với ánh sáng đơn sắc có bước sóng . Biết khoảng cách giữa hai khe là 0,6 mm, khoảng cách từ mặt phẳng chứa hai khe đến màn quan sát là 2 m. Trên màn, hai điểm M và N nằm khác phía so với vân trung tâm, cách vân trung tâm lần lượt là 5,9 mm và 9,7 mm. Số vân sáng trong khoảng giữa MN là
Ba điểm O, A, B cùng nằm trên một nửa đường thẳng xuất phát từ O. Tại O đặt một nguồn điểm phát sóng âm đẳng hướng ra không gian, môi trường không hấp thụ âm. Mức cường độ âm tại A là 60 dB, tại B là 20dB. Mức cường độ âm tại điểm M thuộc đoạn AB với AM = 2BM gần nhất với giá trị nào sau đây?
Một vật thực hiện đồng thời hai dao động điều hòa cùng phương, cùng tần số. Dao động thứ nhất có đồ thị độ lớn vận tốc , dao động thứ hai có đồ thị độ lớn gia tốc thay đổi theo thời gian t được biểu diễn như hình vẽ bên. Biết tại thời điểm ban đầu (t=0) vận tốc của dao động thứ nhất là cực tiểu, và gia tốc của dao động thứ hai là cực đại. Li độ dao động của vật tại thời điểm t=7,3 s gần nhất với giá trị nào sau đây?

Hai thành phố A và B cách nhau 120 km. Điện năng được truyền tải từ một máy tăng thế đặt ở thành phố A tới một máy hạ thế ở thành phố B bằng dây truyền tải một pha. Dây được làm bằng đồng, tiết diện tròn, đường kính 1cm, điện trở suất 1,6.10-8 Ω. m. Cường độ dòng điện chạy trên đường dây tải là 40 A, công suất hao phí trên đường dây bằng 10% công suất tiêu thụ ở thành phố B và hiệu điện thế ở cuộn thứ cấp máy hạ thế ở thành phố B là 200 V. Lấy Dòng điện và hiệu điện thế luôn cùng pha, hao phí trong máy biến thế là không đáng kể. Hiệu điện thế ở hai đầu cuộn thứ cấp của thành phố A gần với giá trị nào sau đây?
Ở mặt chất lỏng, tại hai điểm A và B có hai nguồn dao động cùng pha theo phương thẳng đứng phát ra hai sóng kết hợp có bước sóng . Biết . C là một điểm trên mặt nước sao cho vuông cân tại B . Trên AC số điểm dao động với biên độ cực đại, cùng pha với nguồn là
Cho cơ hệ như hình vẽ. Vật m1 có khối lượng 200 g, gắn với lò xo nhẹ có độ cứng k = 50 N/m, vật m2 có khối lượng 50 g nối với m1 bằng một sợi dây mềm, nhẹ, không dãn có chiều dài l0 = 20 cm. Cả hai vật m1 và m2 có thể chuyển động trượt trên mặt phẳng ngang với cùng hệ số ma sát trượt . Ban đầu kéo vật m2 đến vị trí lò xo dãn 8 cm, sợi dây căng rồi buông nhẹ để hai vật chuyển động, Lấy g=10m/s2 . Tại thời điểm đầu tiên lò xo có chiều dài ngắn nhất thì khoảng cáchgiữa hai vật m1 và m2 gần giá trị nào nhất sau đây?

Đặt điện áp xoay chiều ổn định vào hai đầu đoạn mạch gồm cuộn dây và tụ điện có điện dung C mắc nối tiếp. Điện dung của tụ điện thay đổi được. Biết khi C = C1 và khi C = C2 thì điện áp hiệu dụng hai đầu tụ điện bằng nhau, đồng thời pha của dòng điện trong hai trường hợp trên biến thiên một lượng . Điện áp hiệu dụng trên đoạn AM trong hai trường hợp trên chênh nhau một lượng gần nhất với

Mạch điện xoay chiều gồm điện trở thuần R, cuộn dây có điện trở r và độ tự cảm L và tụ điện có điện dung C được mắc nối tiếp với nhau. Mạch được mắc vào mạng điện có tần số và điện áp hiệu dụng không đổi, biết R = 3r và tụ C có điện dung C thay đổi được. Gọi α là độ lệch pha giữa điện áp tức thì hai đầu cuộn dây và điện áp tức thì của mạch điện, đồ thị biểu diễn |tanα| theo dung kháng của tụ cho như hình. Tìm tổng trở của cuộn dây.

1 mã đề 30 câu hỏi
1 mã đề 40 câu hỏi
1 mã đề 40 câu hỏi
1 mã đề 50 câu hỏi
1 mã đề 40 câu hỏi

